Ford
Escort - Intervalový cyklovač stieračov s AEV 2062

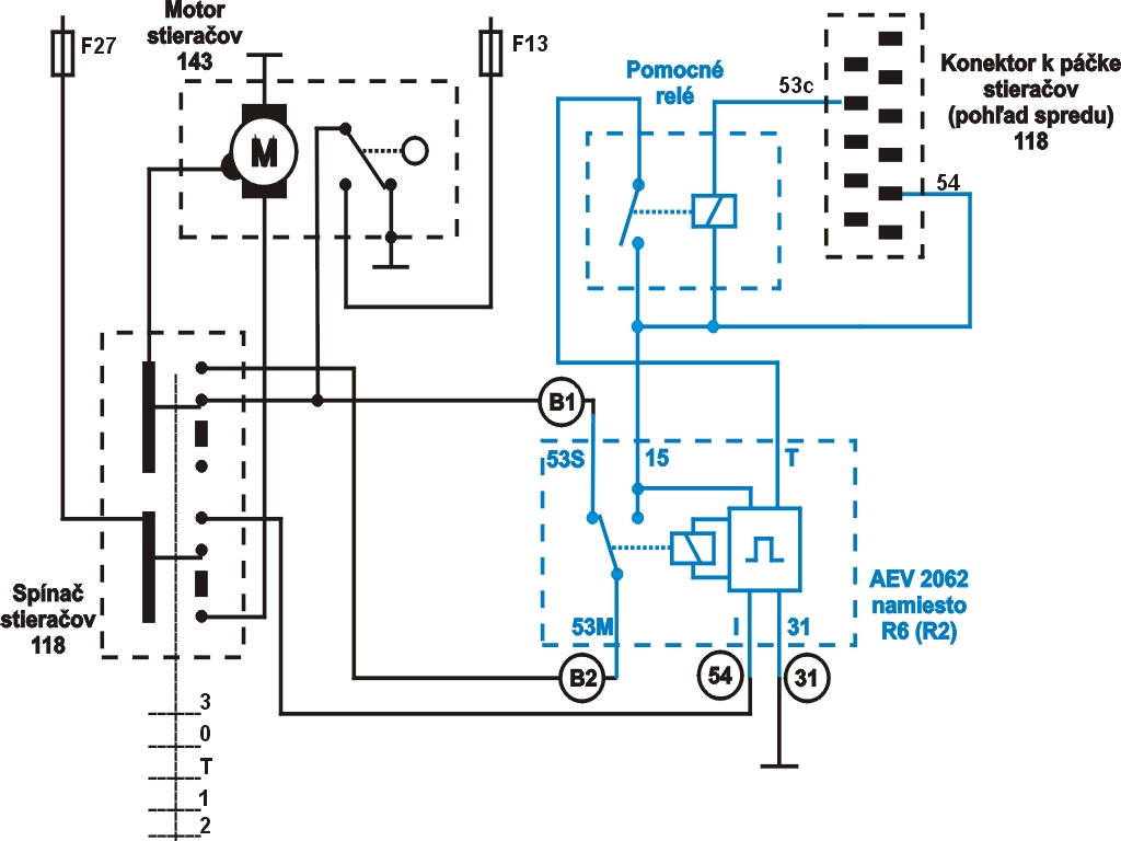
Schéma je výňatkom obvodu cyklovača stieračov z pôvodnej
schémy. Modrou farbou sú označené doplnené súčiastky. Namiesto relé R6 (R2
u starších modelov) je použite intervalové relé AEV 2062. Toto má okrem
pamäťového cyklovača aj funkciu zapnutia stieračov pri zapnutí ostrekovača.
Relé cyklovača sa prepojkami pripojí na miesto pôvodného relé R6 (R2) podľa
schémy. V krúžkoch je značenie pôvodného relé R6.
Kontakt T, ktorý spína stierače pri ostrekovaní sa nedá
pripojiť priamo do schémy. Ostrekovače majú len jeden motorček, ktorý podľa
smeru otáčania ostrekuje predné alebo zadne sklo. Obidva póly motorčeka sú
kvôli tomu stále pod napätím, t.j. keby sa pripojili k kontaktu T,
stierače by stále stierali. Musí tam byť pomocné relé podľa schémy, ktoré
v prípade zopnutia tlačítka ostrekovania predného okna spína kontakt T.
Cievka relé je pripojená k ostrekovačom v konektore stieračovej páčky
na volante. Umiestnenie kontaktov je naznačené v schéme.
Ak to dobre zapojíte, malo by to fungovať na prvý krát.
Neviem či som dosť jasne označil pripojenie na konektore ku
stieračovej páčke. Ak Vám to nebude zo schémy jasné, lepšie je to naznačené v
popise zapojenia páčok na stránke fordfans.cz. Ja som to zistil až potom,
najprv som maturoval so zrkadielkom aby som prečítal popis na páčke. Pripojenie
ku konektoru k páčke stieračov som urobil len narezaním izolácie na káblikoch
aby som sa dostal ku žile, do rozoberania konektora som sa nepúšťal. Pomocné
relé stačí akékoľvek autorelé na 12V DC, 1 spínací kontakt (u nás okolo 40,-Sk).
Možno sa Vám to podarí aj lepšie umiestniť, ja som relátka
páskou zlepil dokopy a len tak som ich položil do dutiny vpredu na ľavo od
poistkovej skrinky.
Cyklovač vyjde celkovo na okolo 350,-Sk. Montáž trvá max.1
hod. Stačí zhodiť kryty okolo volanta a spodný panel okolo poistkovej
skrinky.
Na stiahnutie:
PDF verzia stránky s popisom a schémou Katalógový list cyklovača AEV 2062